ícono correo

detsa0305@gmail.com

ícono WhatsApp

55 2063-8148

ícono WhatsApp

55 2063-8149

logo

Partes del cardán

Partes del cardán

En el gráfico anterior se muestran las partes de un cardán. El cardán suministrado se proporciona con dos yugos brida. Un cardán cuenta con dos uniones compuestas de dos yugos unidos por una cruceta. Cada una de estas uniones se llama junta universal. Una de estas uniones es fija y la otra es deslizante. Para este caso se necesita un deslizamiento mínimo para su montaje. En el caso automotriz debe seguir el movimiento de la suspensión trasera.

Datos indispensables para cotización

Partes del cardán

Identifica los tipos de cardanes

Plano 1
Plano 2
Plano 2
Plano 2

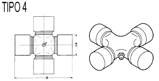
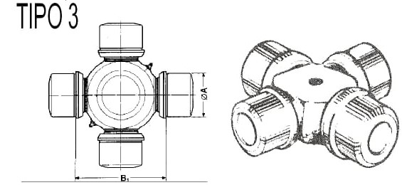
Identifica los tipos de crucetas

Plano 2
Plano 2
Plano 2
Plano 2